Global settings English (US) | mm

Languages
Unit
Cancel
Apply
E-Catalog
Hole making
Main Application
Product No.
Designation
Thread Size
Tap Limit
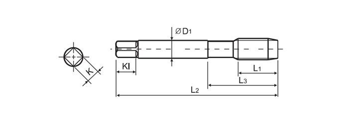
Lc
L2
L1
L3
D1
Kl
K
Material
Coated
Standard
Tap type
Workpiece material