Global settings English (US) | mm

Languages
Unit
Cancel
Apply
E-Catalog
Hole making
Main Application
Product No.
Designation
Thread Size
Tap Limit
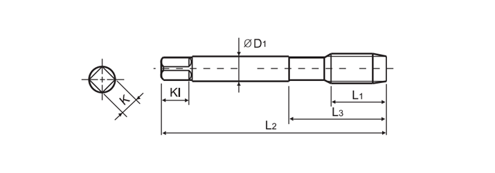
Lc
L2
L1
L3
D1
Kl
K
Material
Coated
Standard
Tap type
Workpiece material
D8300077
TSDP025045-SFT
M2.5X0.45
6H
2.5P
50.0
9.0
14.0
2.8
5.0
2.1
HSS-Co
AlCrN
DIN371
Spriral flute
P、K