Global settings English (US) | mm

Languages
Unit
Cancel
Apply
E-Catalog
External Turning
Main Application
Product No.
Designation
Workpiece material
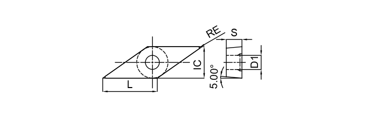
RE
L
IC
S
D1
CEDC
Vc(m/min)
f(mm/min)
ap(mm)
Grade
Workpiece Condition
Operation type
T110199C
VBGT110301-PY-TJ15
P/M
0.1
11.2
6.35
3.18
2.8
2.0
50-180
0.05-0.20
0.05-3.00
TJ15
Continuous
Finishing to Medium