Global settings English (US) | mm

Languages
Unit
Cancel
Apply
E-Catalog
Hole making
Main Application
Product No.
Designation
Thread Size
Tap Limit
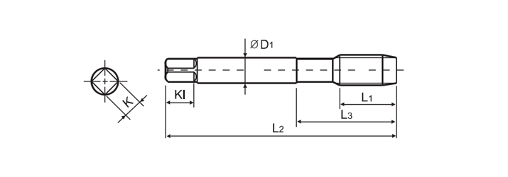
Lc
L2
L1
L3
D1
Kl
K
Material
Coated
Standard
Tap type
Workpiece material
D8300033
TSJM030050-POT
M3X0.5
6H
4P
46.0
11.0
15.0
4.0
6.0
3.2
HSS-Co
TiAlN
JIS
Spiral pointed
M