Global settings English (US) | mm

Languages
Unit
Cancel
Apply
E-Catalog
Hole making
Main Application
Product No.
Designation
Thread Size
Tap Limit
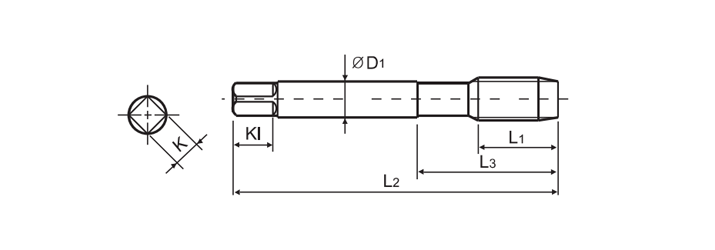
Lc
L2
L1
L3
D1
Kl
K
Material
Coated
Standard
Tap type
Workpiece material
D8300051
TSJM060100-SFT
M6X1.0
6H
2.5P
62.0
11.0
29.0
6.0
7.0
4.5
HSS-Co
TiAlN
JIS
Spriral flute
M