Global settings English (US) | mm

Languages
Unit
Cancel
Apply
E-Catalog
Hole making
Main Application
Product No.
Designation
Thread Size
Tap Limit
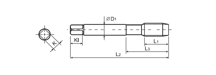
Lc
L2
L1
L3
D1
Kl
K
Material
Coated
Standard
Tap type
Workpiece material
D8300010
TSJP140200-POT
M14X2.0
6H
4P
88.0
30.0
46.0
10.5
11.0
8.0
HSS-Co
AlCrN
JIS
Spiral pointed
P、K