Global settings English (US) | mm

Languages
Unit
Cancel
Apply
E-Catalog
Hole making
Main Application
Product No.
Designation
Thread Size
Tap Limit
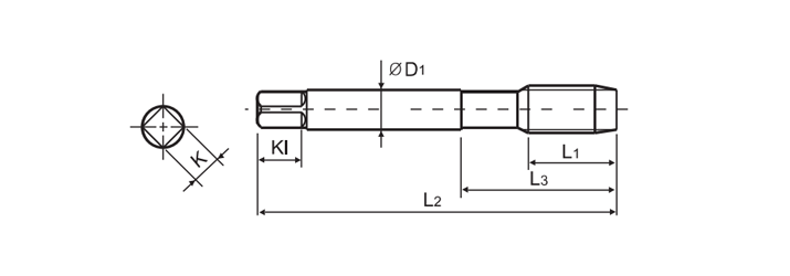
Lc
L2
L1
L3
D1
Kl
K
Material
Coated
Standard
Tap type
Workpiece material
D8300099
TSDM120175-POT
M12X1.75
6H
4P
110.0
29.0
39.0
9.0
10.0
7.0
HSS-Co
TiAlN
DIN376
Spiral pointed
M