Global settings English (US) | mm

Languages
Unit
Cancel
Apply
E-Catalog
Hole making
Main Application
Product No.
Designation
Thread Size
Tap Limit
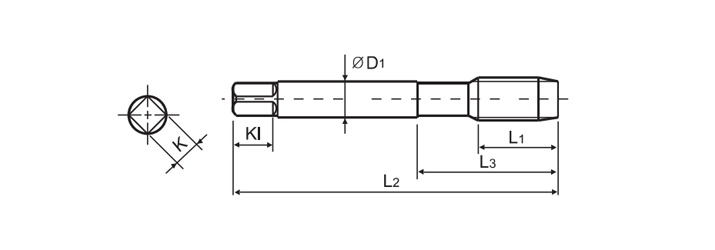
Lc
L2
L1
L3
D1
Kl
K
Material
Coated
Standard
Tap type
Workpiece material
D8300109
TSDM040070-SFT
M4X0.7
6H
2.5P
63.0
7.5
20.5
4.5
6.0
3.4
HSS-Co
TiAlN
DIN371
Spriral flute
M