Global settings English (US) | mm

Languages
Unit
Cancel
Apply
E-Catalog
Hole making
Main Application
Product No.
Designation
Thread Size
Tap Limit
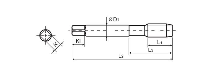
Lc
L2
L1
L3
D1
Kl
K
Material
Coated
Standard
Tap type
Workpiece material
D8300061
TSDP020040-POT
M2X0.4
6H
4P
45.0
8.0
13.0
2.8
5.0
2.1
HSS-Co
AlCrN
DIN371
Spiral pointed
P、K