Global settings English (US) | mm

Languages
Unit
Cancel
Apply
E-Catalog
Milling
Main Application
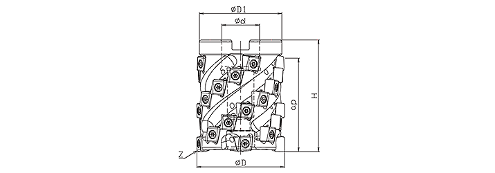
Product No.
Designation
D
d
D1
H
Z eff
Z
Max.ap
Clamping Screw
Wrench
M2233013
TLXR90-50R21TP10M22
50.0
22.0
47.0
70.0
3.0
21.0
58.5
TLX1107
TPRP11