Global settings English (US) | mm

Languages
Unit
Cancel
Apply
E-Catalog
Hole making
Main Application
Product No.
Designation
Thread Size
Tap Limit
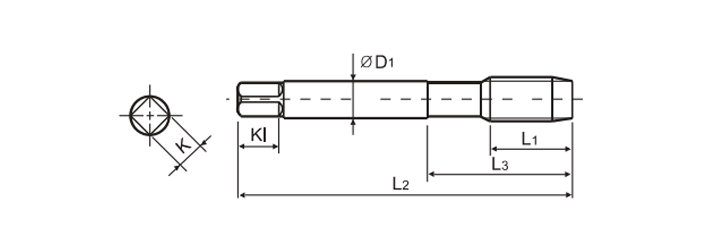
Lc
L2
L1
L3
D1
Kl
K
Material
Coated
Standard
Tap type
Workpiece material
D8100002
TAJ040070-SFT
M4X0.7
T3
2.5P
52.0
5.6
20.0
5.0
7.0
4.0
HSS-PM
T-Coating
JIS
Spriral flute
P、M、K