Global settings English (US) | mm

Languages
Unit
Cancel
Apply
E-Catalog
Milling
Main Application
Product No.
Designation
Workpiece material
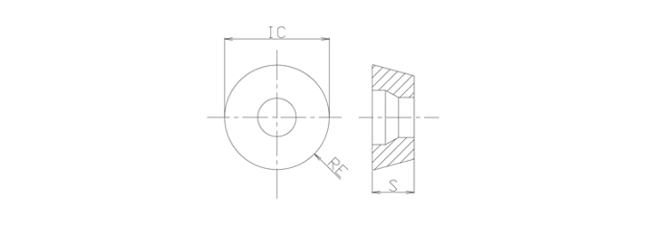
IC
S
RE
M2117003
RPMW1003MT-TI960
P、M、K
10.0
3.18
5.0