Global settings English (US) | mm

Languages
Unit
Cancel
Apply
E-Catalog
Milling
Main Application
Product No.
Designation
Workpiece material
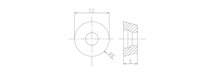
IC
S
RE
M2117001
RPMT08T2M0-MT1-TI960
P、M、K
8.0
2.78
4.0