Global settings English (US) | mm

Languages
Unit
Cancel
Apply
E-Catalog
Milling
Main Application
Product No.
Designation
Workpiece material
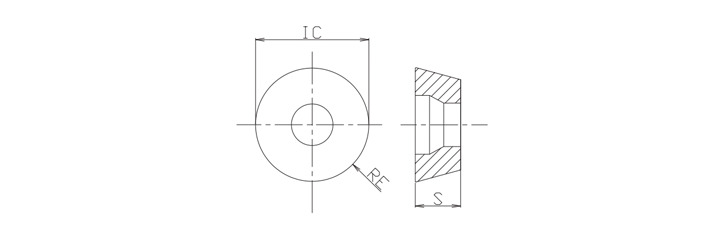
IC
S
RE
M2115013
RDKT0802M0-HC200
N
8.0
2.4
4.0