Global settings English (US) | mm

Languages
Unit
Cancel
Apply
E-Catalog
Milling
Main Application
Product No.
Designation
Workpiece material
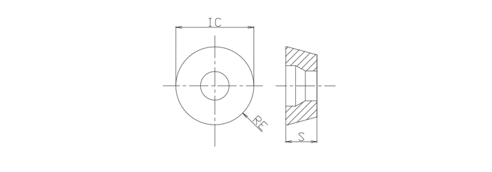
IC
S
RE
M2115008
RDKT10T3M0-TR-TY622
H
10.0
4.0
5.0