Global settings English (US) | mm

Languages
Unit
Cancel
Apply
E-Catalog
Hole making
Main Application
Product No.
Designation
Thread Size
Tap Limit
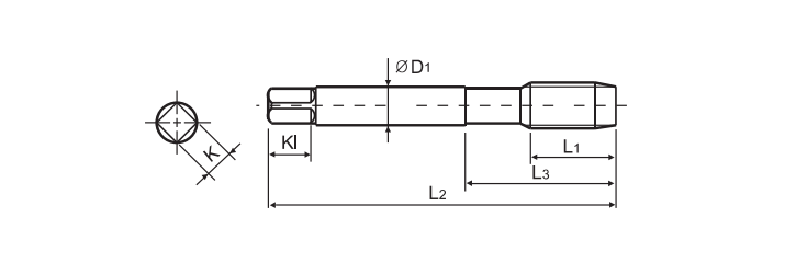
Lc
L2
L1
L3
D1
Kl
K
Material
Coated
Standard
Tap type
Workpiece material
D8200090
TCAG100150-FT
M10X1.5
6H
2.0P
75.0
21.0
8.0
9.0
6.0
Carbide
AD-Coating
TOTIME
Fluteless
N