Global settings English (US) | mm

Languages
Unit
Cancel
Apply
E-Catalog
Hole making
Main Application
Product No.
Designation
Thread Size
Tap Limit
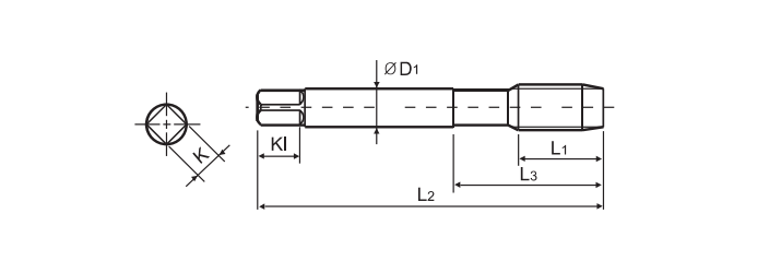
Lc
L2
L1
L3
D1
Kl
K
Material
Coated
Standard
Tap type
Workpiece material
D8200058
TCAG050080-SFT
M5X0.8
6H
2.0P
60.0
15.0
25.0
5.0
7.0
4.0
Carbide
AD-Coating
TOTIME
Spriral flute
K