Global settings English (US) | mm

Languages
Unit
Cancel
Apply
E-Catalog
Hole making
Main Application
Product No.
Designation
Thread Size
Tap Limit
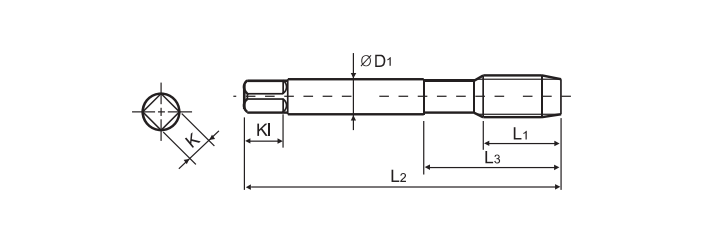
Lc
L2
L1
L3
D1
Kl
K
Material
Coated
Standard
Tap type
Workpiece material
D8200034
TCAJ120175-FT
M12X1.75
T4
2.0P
82.0
25.0
8.5
9.0
6.5
Carbide
AD-Coating
JIS
Fluteless
N