Global settings English (US) | mm

Languages
Unit
Cancel
Apply
E-Catalog
Hole making
Main Application
Product No.
Designation
Thread Size
Tap Limit
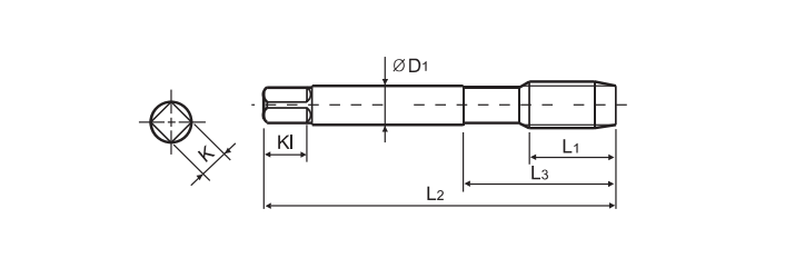
Lc
L2
L1
L3
D1
Kl
K
Material
Coated
Standard
Tap type
Workpiece material
D8200023
TCAD080125-HT
M8X1.25
6H
2.5P
90.0
16.0
40.0
8.0
9.0
6.2
Carbide
AD-Coating
DIN371
Straight Flute
K