Global settings English (US) | mm

Languages
Unit
Cancel
Apply
E-Catalog
Milling
Main Application
Product No.
Designation
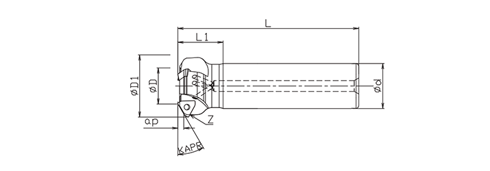
KAPR
D
D1
d
L1
L
Z
Max.ap
Application Rang
Clamping Screw
Wrench
M2229034
TTPC45-20R03D25L100
45°
20.0
31.2
25.0
25.0
100.0
3.0
4.8
Ø21.3-Ø28.9
TP1004
TPEP10