Global settings English (US) | mm

Languages
Unit
Cancel
Apply
E-Catalog
Milling
Main Application
Product No.
Designation
Workpiece material
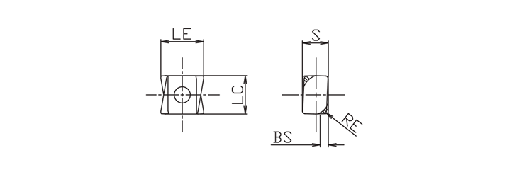
LC
S
BS
RE
LE
M2133001
LXGU110708-MM-TT650
P、M
10.5
7.1
2.0
0.8
11.7