Global settings English (US) | mm

Languages
Unit
Cancel
Apply
E-Catalog
Parting,Grooving
Main Application
Product No.
Designation
Workpiece material
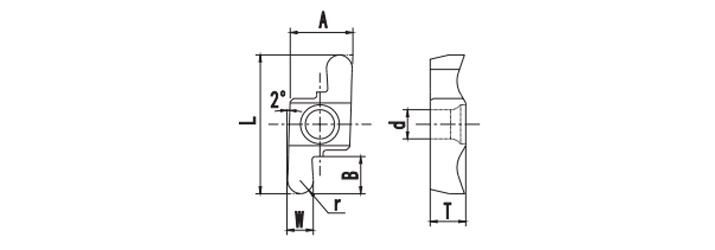
W
B
r
A
L
T
d